Ваш город Москва

Запчасти для стиральной машины Indesit ITWA61051WIT AQ877000000 (WHRWM02)

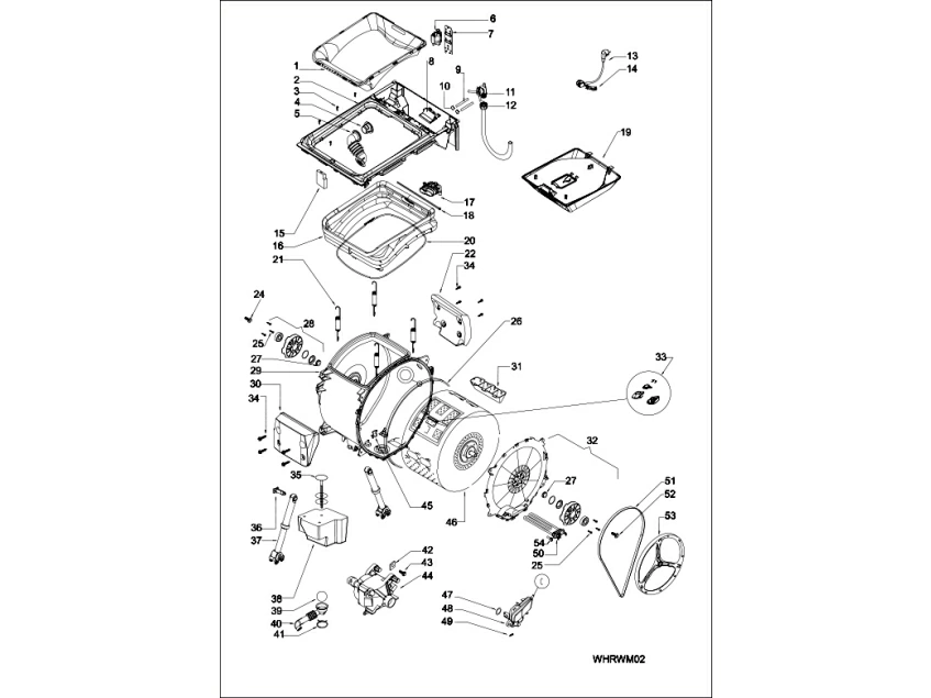
Запчасти для Indesit ITWA61051WIT AQ877000000 (WHRWM02)

Если вы не смогли найти интересующую Вас запчасть, свяжитесь с нами, мы постараемся помочь с подбором.

Свернуть схему

Код товара TWG00013642
Номер позиции 027
Сальник  для  Indesit ITWA61051WIT AQ877000000
-10%
210 руб. 190 руб.
Код товара TWG000214498
Номер позиции 028
Суппорт  для  Indesit ITWA61051WIT AQ877000000
-9%
3 550 руб. 3 220 руб.
Код товара TWG000429709
Номер позиции 019
Дозатор  для  Indesit ITWA61051WIT AQ877000000
-9%
8 790 руб. 7 990 руб.
Код товара TWG00013755
Номер позиции 051
Ремень  для  Indesit ITWA61051WIT AQ877000000
-8%
720 руб. 660 руб.